齊步綠能科技-隔熱牆、防火牆、屋頂隔熱
公司簡介
產品介紹
隔熱保溫混凝土牆
屋頂隔熱組件牆
最新消息
資訊新知
影音專區
常見問題
聯絡我們
最新消息
The News
Home
最新消息
最新消息 /
2025.11.05
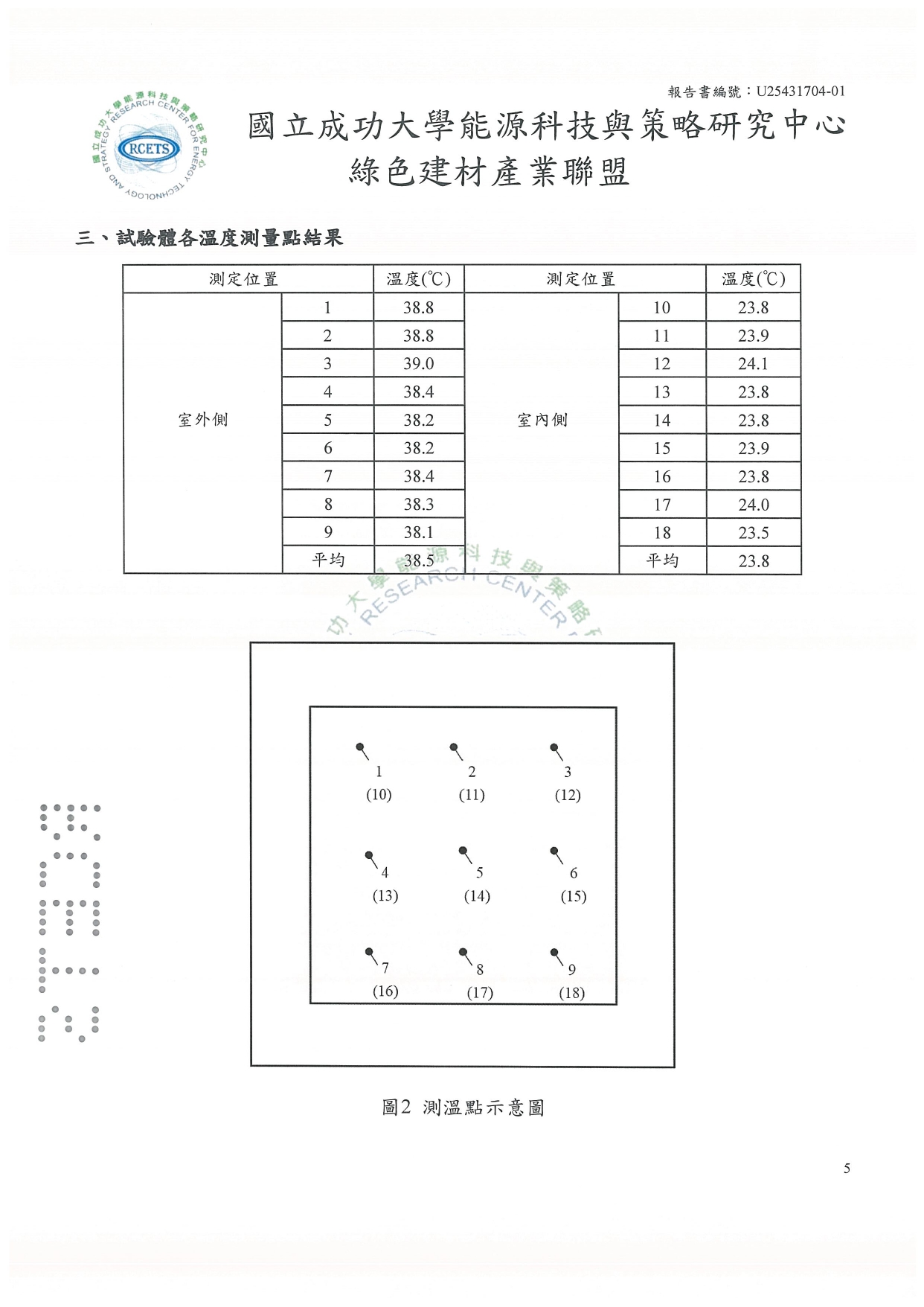
齊步綠能新的「隔熱牆」測試報告,在成大實驗室剛剛出爐
隔熱 U 值為1.33,是鋼筋混凝土外牆最佳的斷熱設計!
因為它是「三明治複合式」牆體,在火災中能產生世界獨一無二的中空RC牆,可以阻擋幾千度的高溫,也是我們消防安全革命性的新發明。
回上一頁
與我們聯絡
Contact Us
齊步綠能科技將繼續秉持創新、品質、環保和客戶至上的核心價值觀,不斷提升自身競爭力和市場影響力,公司將加強技術研發,推動產品創新,為全球建築防火行業提供更加優質的解決方案
LINE客服
CONTACT
MENU
Copyright © 齊步綠能科技. All rights reserved.